注意:访问本站需要Cookie和JavaScript支持!请设置您的浏览器! 打开购物车 查看留言付款方式联系我们
初中电子 单片机教材一 单片机教材二
搜索上次看见的商品或文章:
商品名、介绍 文章名、内容
首页 电子入门 学单片机 免费资源 下载中心 商品列表 象棋在线 在线绘图 加盟五一 加入收藏 设为首页
本站推荐:
蝙蝠牌电蚊拍故障检修
文章长度[748] 加入时间[2006/7/1] 更新时间[2026/2/11 10:18:25] 级别[3] [评论] [收藏]

2003年,第4期,类别:家电维修


 [例1]故障现象:接通电源但不工作。
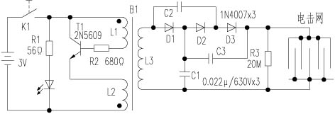
  检修:测得电源微型轻触开关K1不通,更换K1后试机,指示灯亮,但电击网上仍无高压也无轻微的振荡声,说明高频振荡电路未起振。该机高频振荡电路(见附图)由振荡管T1(2N5609)、升压变压器B1初级和限流电阻R2(680Ω)等元件组成。检查发现R2表面有烧焦痕迹,进而测得R2和T1均已断路,将R2和T1一同更换后试机,机子恢复正常工作,故障排除。
 [例2]故障现象:接通电源,指示灯亮,但电击网上无高压。
  检修:测得升压变压器B1次级有520V电压,说明高频振荡电路工作正常,故障发生在倍压整流电路上,该机倍压整流电路由整流二极管D1、D2、D3(1N4007)和电容C1、C2、C3(0.022μF/630V)组成三倍压整流电路。查得D1已断路,其他元件未见异常,用一只1N4007更换D1后试机,电击网上高压恢复正常,故障排除。
 [例3]故障现象:电击网上高压不足。
  检修:此种情况一般是三倍压整流电路整流管D1、D2、D3性能变劣或电容C1、C2、C3容量变小所致。检查D1、D2、D3未见异常,用三只相同的0.022μF/630V电容同时更换C1、C2、C3后试机,电击网上高压明显提高,故障排除。

                                     江西 曾海萍



1、 本站不保证以上观点正确,就算是本站原创作品,本站也不保证内容正确。
2、如果您拥有本文版权,并且不想在本站转载,请书面通知本站立即删除并且向您公开道歉! 以上可能是本站收集或者转载的文章,本站可能没有文章中的元件或产品,如果您需要类似的商品请 点这里查看商品列表!
本站协议 | 版权信息 |  关于我们 |  本站地图 |  营业执照 |  发票说明 |  付款方式 |  联系方式
深圳市宝安区西乡五壹电子商行——粤ICP备16073394号-1;地址:深圳西乡河西四坊183号;邮编:518102
E-mail:51dz$163.com($改为@);Tel:(0755)27947428
工作时间:9:30-12:00和13:30-17:30和18:30-20:30,无人接听时可以再打手机13537585389