| 注意:访问本站需要Cookie和JavaScript支持!请设置您的浏览器! • 打开购物车 • 查看留言 • 付款方式 • 联系我们 |
![]() |
| 首页 | 电子入门 | 学单片机 | 免费资源 | 下载中心 | 商品列表 | 象棋在线 | 在线绘图 | 加盟五一 | 加入收藏 | 设为首页 |
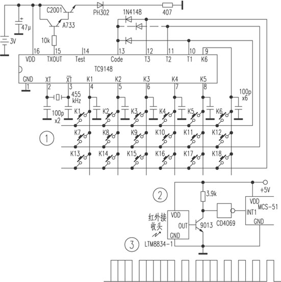
| 选择分类:当前分类——学单片机 相关联或者相类似的文章: 电池的充电方法 (527) 印制电路板设计原则和抗干扰措施(527) BA1404立体声调频发射套件制作说明(526) 29. 两点间温度控制(526) 28. 数字电压表(526) BA1404立体声调频发射电路(526) 25. 点阵式LED“0-9”数字显示技术(526) 真存在“魔鬼三角”吗 (526) 20. 数字钟﹝★﹞(525) 点阵汉字显示原理 (524) 晶体管放大器是一种交流与直流共存的电路(524) 歪公司设招聘陷阱 今天收钱明天辞退(524) 超声波移动物体检测装置(523) 测判三极管的口诀(523) Mon51仿真器(523) 《弟子规》(523) 《新三字经》(522) 微型停电应急灯(522) 用TC9148遥控MCS-51单片机(521) 世界鸟类跑得最快的鸟(521) 首页 前页 后页 尾页 本站推荐: | 用TC9148遥控MCS-51单片机
1、 本站不保证以上观点正确,就算是本站原创作品,本站也不保证内容正确。 2、如果您拥有本文版权,并且不想在本站转载,请书面通知本站立即删除并且向您公开道歉! |
|
本站协议 |
版权信息 |
关于我们 |
本站地图 |
营业执照 |
发票说明 |
付款方式 |
联系方式
深圳市宝安区西乡五壹电子商行——粤ICP备16073394号-1;地址:深圳西乡河西四坊183号;邮编:518102 E-mail:51dz$163.com($改为@);Tel:(0755)27947428 工作时间:9:30-12:00和13:30-17:30和18:30-20:30,无人接听时可以再打手机13537585389 |