选择分类:当前分类——当前分类
本站推荐:
几款直流升压电路
文章长度[1588] 加入时间[2007/1/4] 更新时间[2026/2/5 20:55:52] 级别[0] [评论] [收藏]

  直流升压就是将电池提供的较低的直流电压,提升到需要的电压值,其基本的工作过程都是:高频振荡产生低压脉冲——脉冲变压器升压到预定电压值——脉冲整流获得高压直流电,因此直流升压电路属于DC/DC电路的一种类型。
  在使用电池供电的便携设备中,都是通过直流升压电路获得电路中所需要的高电压,这些设备包括:手机、传呼机等无线通讯设备、照相机中的闪光灯、便携式视频显示装置、电蚊拍等电击设备等等。
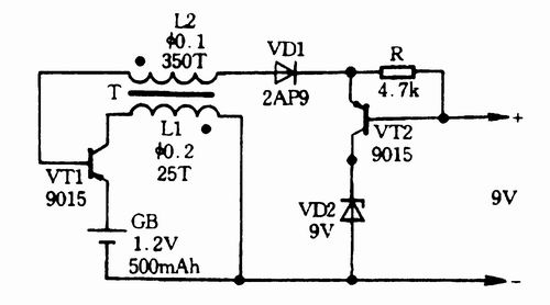
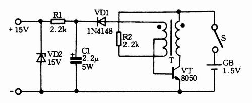
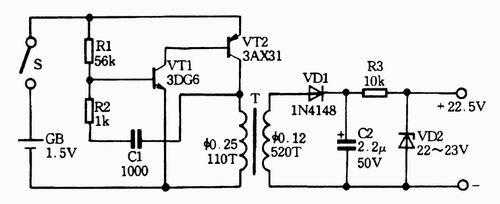
  一、几种简单的直流升压电路
  
以下是几种简单的直流升压电路,主要优点:电路简单、低成本;缺点:转换效率较低、电池电压利用率低、输出功率小。这些电路比较适合用在万用电表中,替代高压叠层电池。







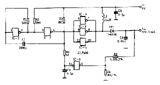
  二、24V供电CRT高压电源
  
一些照相机CRT使用11.4cm(4.5英寸)纯平面CRT作为显示部件,其高压部件的阳极电压为+20kV,聚焦极电压为+3.2kV,加速极电压为+1000V,高压部件供电为直流24V。以下电路是为替换维修这些显示器的高压部件而设计(电路选自网络文章,原作者不详)。该电路的设计也可为其他升压电路设计提供参考。

  基本原理:NE555构成脉冲发生器,调节电位器VR2可使之产生频率为20kHz左右的脉冲,电位器VR1调脉宽。TR1为推动级,脉冲变压器T1采用反极性激励,即TR1导通时TR2截止,TR1截止时TR2导通,D3、C9、VR3、R7及D4、R6、TR3组成高压保护电路。VR2用于调频率,调节VR2可调整高压大小。
  VR2选用精密可调电阻。T2可选用彩电行输出变压器变通使用。笔者选用的是东洋SE-1438G系列35cm(14英寸)彩电的行输出变压器,采用此变压器阳极电压可达20kV,再适当选取R8的阻值使加速极电压为+1000V、R9的阻值使聚焦极电压为+3.2kV即可。整个部件采用铝盒封装,铝壳接地,这样可减少对电路干扰。

1、 本站不保证以上观点正确,就算是本站原创作品,本站也不保证内容正确。
2、如果您拥有本文版权,并且不想在本站转载,请书面通知本站立即删除并且向您公开道歉! 以上可能是本站收集或者转载的文章,本站可能没有文章中的元件或产品,如果您需要类似的商品请 点这里查看商品列表!