| 注意:访问本站需要Cookie和JavaScript支持!请设置您的浏览器! • 打开购物车 • 查看留言 • 付款方式 • 联系我们 |
![]() |
| 首页 | 电子入门 | 学单片机 | 免费资源 | 下载中心 | 商品列表 | 象棋在线 | 在线绘图 | 加盟五一 | 加入收藏 | 设为首页 |
| 选择分类:当前分类——学单片机 相关联或者相类似的文章: 51单片机 Keil C 延时程序的简单研究(483) 基础知识 之 实用电子电路入门(一)(481) BA1404调频发射模块(481) 给想学单片机的同学们(480) 不要太晚睡...?(480) 论教师职业道德建设的四大机制(479) 转载收藏——如何应对AVR芯片容易被破解!(479) USB接口在串行通信中的应用(479) 315M遥控电路设计(479) C1970与C1971的区别 (478) 假网站伪造银行网站专套储户密码(478) 用BA1404制作无线话筒(477) 用AT89C2051设计的多功能密码锁 (476) ss570122的雕刻机制作过程(6)(476) 制订计划学习法(推荐)(475) 一种简单串行鼠标控制的单片机实现(475) 串联型稳压电源(475) 电视机常用名词中英文对照(下)(473) LED滚动显示屏简介(473) 有关器官捐赠的三则新闻(472) 首页 前页 后页 尾页 本站推荐: | 7. I/O并行口直接驱动LED显示 1. 实验任务
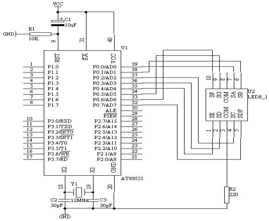
如图13所示,利用AT89S51单片机的P0端口的P0.0-P0.7连接到一个共阴数码管的a-h的笔段上,数码管的公共端接地。在数码管上循环显示0-9数字,时间间隔0.2秒。
2. 电路原理图
![]() 图4.7.1
3. 系统板上硬件连线
把“单片机系统”区域中的P0.0/AD0-P0.7/AD7端口用8芯排线连接到“四路静态数码显示模块”区域中的任一个数码管的a-h端口上;要求:P0.0/AD0与a相连,P0.1/AD1与b相连,P0.2/AD2与c相连,……,P0.7/AD7与h相连。
4. 程序设计内容
(1. LED数码显示原理
七段LED显示器内部由七个条形发光二极管和一个小圆点发光二极管组成,根据各管的极管的接线形式,可分成共阴极型和共阳极型。
LED数码管的g~a七个发光二极管因加正电压而发亮,因加零电压而不以发亮,不同亮暗的组合就能形成不同的字形,这种组合称之为字形码,下面给出共阴极的字形码见表2
(2. 由于显示的数字0-9的字形码没有规律可循,只能采用查表的方式来完成我们所需的要求了。这样我们按着数字0-9的顺序,把每个数字的笔段代码按顺序排好!建立的表格如下所示:TABLE DB 3FH,06H,5BH,4FH,66H,6DH,7DH,07H,7FH,6FH
5.程序框图 图4.7.2
6. 汇编源程序
ORG 0
START: MOV R1,#00H
NEXT: MOV A,R1
MOV DPTR,#TABLE
MOVC A,@A+DPTR
MOV P0,A
LCALL DELAY
INC R1
CJNE R1,#10,NEXT
LJMP START
DELAY: MOV R5,#20
D2: MOV R6,#20
D1: MOV R7,#248
DJNZ R7,$
DJNZ R6,D1
DJNZ R5,D2
RET
TABLE: DB 3FH,06H,5BH,4FH,66H,6DH,7DH,07H,7FH,6FH
END
7. C语言源程序
#include <AT89X51.H>
unsigned char code table[]={0x3f,0x06,0x5b,0x4f,0x66,
0x6d,0x7d,0x07,0x7f,0x6f};
unsigned char dispcount;
void delay02s(void)
{
unsigned char i,j,k;
for(i=20;i>0;i--)
for(j=20;j>0;j--)
for(k=248;k>0;k--);
}
void main(void)
{
while(1)
{
for(dispcount=0;dispcount<10;dispcount++)
{
P0=table[dispcount];
delay02s();
}
}
} 1、 本站不保证以上观点正确,就算是本站原创作品,本站也不保证内容正确。 2、如果您拥有本文版权,并且不想在本站转载,请书面通知本站立即删除并且向您公开道歉! |
|
本站协议 |
版权信息 |
关于我们 |
本站地图 |
营业执照 |
发票说明 |
付款方式 |
联系方式
深圳市宝安区西乡五壹电子商行——粤ICP备16073394号-1;地址:深圳西乡河西四坊183号;邮编:518102 E-mail:51dz$163.com($改为@);Tel:(0755)27947428 工作时间:9:30-12:00和13:30-17:30和18:30-20:30,无人接听时可以再打手机13537585389 |