注意:访问本站需要Cookie和JavaScript支持!请设置您的浏览器! 打开购物车 查看留言付款方式联系我们
初中电子 单片机教材一 单片机教材二
搜索上次看见的商品或文章:
商品名、介绍 文章名、内容
首页 电子入门 学单片机 免费资源 下载中心 商品列表 象棋在线 在线绘图 加盟五一 加入收藏 设为首页
本站推荐:
自作电子音量控制
文章长度[783] 加入时间[2006/7/1] 更新时间[2025/11/27 2:19:15] 级别[3] [评论] [收藏]
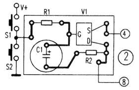
  大家都知道场效应管可用作电子音量控制,但所用型号的管子不易找到。在此笔者介绍一个简单的方法,只要有一个电容式驻极话筒即可实现。
  制作时,首先拆开驻极话筒,里面有一个结型场效应管、一片振动模和一块带孔的金属极板等附件,场效应管的引脚极性及控制电路见图1。以CXA1191M(CXA1019)芯片收音机为例,IC的第④脚是电子音量控制端,该端电压越高音量越小,电压越低音量越大。当接下S1时,V+通过R1、R2、⑧脚端向C1充电(实测⑧脚对于V+而言为负极,对地而言为负极,对地而言为正极)。
  由于电容的贮电作用,V1的G极电压随C1的充电而缓慢上升,S、D间电阻减小,使得④端电压下降,因此音量输出增大;按S2时,C1所贮的电能经过R2、R1、S1向地放电,V1的G极电压下降,S、D间电阻增大,④端电压因此升高,输出音量减小;点按S1、S2可得到你所需的音量。电源来自收音机机内电源。
在新窗口打开查看!
   值得注意的是:原机W1必须拨至音量最大处,或者将W1拆除。C1为电解电容,有条件者可使用钽电解。
该制作的电路图和印板图见下。
在新窗口打开查看!
1、 本站不保证以上观点正确,就算是本站原创作品,本站也不保证内容正确。
2、如果您拥有本文版权,并且不想在本站转载,请书面通知本站立即删除并且向您公开道歉! 以上可能是本站收集或者转载的文章,本站可能没有文章中的元件或产品,如果您需要类似的商品请 点这里查看商品列表!
本站协议 | 版权信息 |  关于我们 |  本站地图 |  营业执照 |  发票说明 |  付款方式 |  联系方式
深圳市宝安区西乡五壹电子商行——粤ICP备16073394号-1;地址:深圳西乡河西四坊183号;邮编:518102
E-mail:51dz$163.com($改为@);Tel:(0755)27947428
工作时间:9:30-12:00和13:30-17:30和18:30-20:30,无人接听时可以再打手机13537585389