注意:访问本站需要Cookie和JavaScript支持!请设置您的浏览器! 打开购物车 查看留言付款方式联系我们
初中电子 单片机教材一 单片机教材二
搜索上次看见的商品或文章:
商品名、介绍 文章名、内容
首页 电子入门 学单片机 免费资源 下载中心 商品列表 象棋在线 在线绘图 加盟五一 加入收藏 设为首页
 商品分类
※ 电子制作套件 ※
入门初学套件· 单片机应用套件
无线对讲话筒· 数字钟数字电路
收音功放套件· 功放套件
电话门铃电平· 万用表电源
LED节能灯套件· 遥控开关报警
竞赛实训设计· 传感器类套件
贴片练习套件· 显示屏套件
※ 电子实验套件 ※
单片机编程器· 初学实验套件
单片机产品· 实验板元件
LCD模块下载· 面包板
※ 电子工具 ※
仪器仪表· 电钻/钻头
焊接固定· 镊钳螺丝刀
工具套装· 元件盒胶袋
※ 电子电路板 ※
万能线路板· 感光敷铜板
收音功放成品· 其它成品板
单片机类光板· 印刷电路光板
※ 电子元器件 ※
电阻· 电容
电位器可调电阻· 二极管
三极管· 发光二极管
可控硅· 场效应管
电感线圈· 晶振滤波器
蜂鸣压垫片· 保险管灯泡
数码管点阵· 继电器干簧管
※ 贴片元器件 ※
贴片二极管· 贴片电阻/容
贴片三极管· 贴片常用IC
贴片40/74系· 贴片电感开关
贴片单片机·
※ 五金塑胶线材 ※
开关· IC插座
插头插座· 杜邦插接件
旋钮· 热缩管
电动机· 电子导线
连接线· 散热片
螺丝弹簧· 电池盒扣
电子制作盒·
※ 集成电路IC ※
单片机芯片· CD40系列IC
配单片机IC· 74LS系列IC
74HC系列IC· 运放耦合器
收发功放IC· 电源稳压IC
音乐动物IC· LED芯片
※ 模组传感器 ※
特色传感模块· 无线模块开关
传感测试探头· 气温湿传感器
※ 日常电子产品 ※
电源变压器· 图书管资料
功放收音机· 其它产品
喇叭· 音响炮筒
※ 特价电子 ※
新品优惠· 特价商品
库存回收· 停止供货
当前位置: 首页 >>> 【图片版】 【图文版】 【文字版

注:为了提高网速,图片可能被压缩! 图片仅供参考!
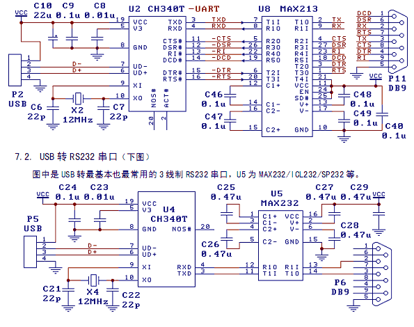
CH340TUSB转串口
商城价格:¥6.00 元  免费注册有礼送
贵宾价格:¥5.10 元  加入贵宾更优惠
单件重量:1 克(仅供参考,包装重量另计)
  货源充足 支持零售   加入收藏  我要评论
点这里将商品放入购物车 

如果您喜欢该商品,您可以放入购物车!当您选好商品后,您可以留下您的地址和电话并提交订单,本站会按顺序处理!

请您放心,提交订单并不表示必需购买。 提交订单仅仅是信息交流的一种方法,仅仅只代表了您临时的潜在需求,您完全可以决定不购买,并且不需要任何理由。

注:本站图片仅供参考!因各种原因,图片与实物不一定相符,不便之处敬请谅解!我们会尽快改良!

CH340 是一个USB 总线的转接芯片 SOP-20全新原装,实现USB 转串口、USB 转IrDA 红外或者USB 转打印口。
  在串口方式下,CH340 提供常用的MODEM联络信号,用于为计算机扩展异步串口,或者将普通的串口设备直接升级到USB 总线。有关USB 转打印口的说明请参考手册(二)CH340DS2。
  在红外方式下,CH340 外加红外收发器即可构成USB 红外线适配器,实现SIR 红外线通讯。

1、特点  
● 全速USB 设备接口,兼容USB V2.0,外围元器件只需要晶体和电容。
● 仿真标准串口,用于升级原串口外围设备,或者通过USB 增加额外串口。
● 计算机端Windows 操作系统下的串口应用程序完全兼容,无需修改。
● 硬件全双工串口,内置收发缓冲区,支持通讯波特率50bps~2Mbps。
● 支持常用的MODEM 联络信号RTS、DTR、DCD、RI、DSR、CTS。
● 通过外加电平转换器件,提供RS232、RS485、RS422 等接口。
● 支持IrDA 规范SIR 红外线通讯,支持波特率2400bps 到115200bps。
● 由于是通过USB 转换的串口,所以只能做到应用层兼容,而无法绝对相同。
● 软件兼容CH341,可以直接使用CH341 的驱动程序。
● 支持5V 电源电压和3.3V 电源电压。
● 提供SSOP-20 无铅封装,兼容RoHS。

2、封装

3、引脚
 

功能说明:

CH340芯片内置了USB上拉电阻,UD+和UD-引脚应该直接连接到USB总线上。

CH340芯片内置了电源上电复位电路。

CH340芯片正常工作时需要外部向XI引脚提供12MHz的时钟信号。一般情况下,时钟信号由CH340芯片内置的反相器通过晶体稳频振荡产生。外围电路只需要在XI和XO引脚之间连接一个12MHz的晶体,并且分别为XI和XO引脚对地连接振荡电容。

这是一款很好的芯片,本站的STC编程板就采用了该芯片。该芯片体积极小,才8mm*8mm那么大,两边出引脚贴片封装,请小心引脚折断而损坏,用该IC制作USB转串口组件,一定要用极高的电子焊接功夫,购买本IC者,建议购买本站的感光电路板自制电路板,当然,如果自己请工厂做电路板的话,那就更好。

本IC虽然是国产,优点是稳定性、可靠性好,本站的STC板采用该IC在保证电源电压稳定正常情况下,几乎接近原始串口的效果!本IC所需外围元件极少,采用12MHz晶振,电路简单,驱动程序公开让大家下载,驱动程序安装简单。装好后的安装方法和本站单片机板的安装方法一样。

(特别请注意:强列建议大家购买本站的CH340,因为本站虽然不保证大家自己能百分百制作成功,但是本站保证本站的芯片绝对是正品,组装正确极易起振,稳定性好!市场上有很多该型号的芯片性能较差,对电路板设计要求极为苛刻,很不容易起振,制作容易失败!为什么这么说呢?因为站长以前买到过性能较差的CH340芯片,这其中的苦处很少有人能体会到。)

没有购过本站单片机板的朋友和对电子没有深厚功底的朋友请不要购买本IC!


查看和发表评论
管理员一般会在8-48小时内回复,会删除无意义的留言以及重复留言,请保证留言标题清晰,内容明确!
1、评论不代表本站观点。 另外,即使是本站原创作品,本站也不保证内容绝对正确。
2、如果您拥有本文版权,并且不想在此处发表,请书面通知本站立即删除并且向您公开道歉!

2010年优惠大酬宾:凡在本商城免费注册并且提交订单购买商品者,本站都会例行赠送《电脑钻孔的万能线路板一》一块! 查看详情
本站协议 | 版权信息 |  关于我们 |  本站地图 |  营业执照 |  发票说明 |  付款方式 |  联系方式
深圳市宝安区西乡五壹电子商行——粤ICP备16073394号-1;地址:深圳西乡河西四坊183号;邮编:518102
E-mail:51dz$163.com($改为@);Tel:(0755)27947428
工作时间:9:30-12:00和13:30-17:30和18:30-20:30,无人接听时可以再打手机13537585389