平时1.5V的电压是点不亮LED的,本电路在不用电感的情况下实现1.5V点亮LED。
一、目的及要求:
l 通过对本制作的安装、焊接、测试,了解电子产品的内部构造,训练动手能力,掌握元器件的识别、简易测试以及整机调试工艺。
l 熟练使用电烙铁、剪钳、万用电表等电子工具。
l 对照电路原理图,了解工作原理,图上符号,并与实物对照。
l 认真仔细的安装焊接,排除安装焊接过程中出现的故障。
二、电路原理图及工作原理:

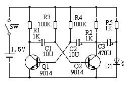
接通电源后,由于接线电阻、分布电容、元件参数的不一致等因素。三极管必然是一只导通,一只截止。当Q1导通,Q2截止时:C2经R2、Q1的基极-发射集充电,充电电流为IC2充,C1经R3、Q1集电极-发射极放电,电流为IC1放,同时电源正极经R1、Q1集电极-发射极到负极形成回路。随着C1的放电及反方向充电,当C1的右端(即Q2的基极)电位达到0.7V时,Q2由截止变为导通,其集电极电压U2=0,由于C2两端电压不能突变,Q1基极电位变为-VCC,Q1由导通变为截止,电路翻转为另一暂稳状态,当Q2导通,Q1截止时原理以其相反。当Q2截止时,LED不亮,当Q2导通时,电容C3通过Q2给D1放电,LED点亮。如此周而复始地自动翻转、闪亮。振荡周期T=0.7(R3C1+R4C2)通常选R3=R4=R,C1=C2=C。则T=1.4RC,振荡频率F=1/1.4RC
查看和发表评论 管理员一般会在8-48小时内回复,会删除无意义的留言以及重复留言,请保证留言标题清晰,内容明确! 1、评论不代表本站观点。 另外,即使是本站原创作品,本站也不保证内容绝对正确。 2、如果您拥有本文版权,并且不想在此处发表,请书面通知本站立即删除并且向您公开道歉! |